文章摘要: 七氟丙烷氣體滅火系統工作原理是什么呢?七氟丙烷是目前應用廣泛的氣體滅火系統之一,很多諸如機房、配電室、檔案室、集裝箱等防護區都配置了七氟丙烷滅火系統,但使用單位還需要了解一下它的工作原理,以便在緊要關頭能夠操作這套滅火系統及時將火災撲滅。畢竟這些都 是關系到我...
七氟丙烷氣體滅火系統工作原理是什么呢?七氟丙烷是目前應用廣泛的氣體滅火系統之一,很多諸如機房、配電室、檔案室、集裝箱等防護區都配置了七氟丙烷滅火系統,但使用單位還需要了解一下它的工作原理,以便在緊要關頭能夠操作這套滅火系統及時將火災撲滅。畢竟這些都 是關系到我們的生命安全的,那么接下來看看它的工作原理圖與相關操作!
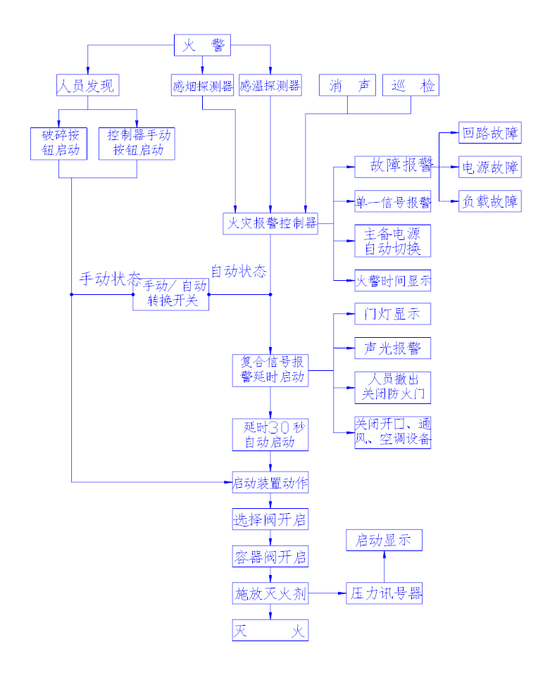
七氟丙烷氣體滅火系統有三種啟動方式,分別是自動啟動、電氣手動啟動和機械應急手動啟動,下面是三種啟動方式的工作原理。首先我們來看看工作原理圖是怎么樣的?

七氟丙烷氣體滅火系統的工作原理圖
第一、電氣手動啟動
當轉換開關置于“手動”位置時,滅火系統處于手動狀態。
在該狀態下,探測器發出火災信號,控制主機啟動室內、外聲光報警器,通知火災發生,但并不啟動滅火系統。此時按下防護區外或控制器上的“緊急啟動”按鈕,可以啟動滅火系統,啟動滅火系統釋放滅火劑,實施滅火。
注意:無論控制主機處于自動或手動狀態,按下“緊急啟動”按鈕,都可啟動滅火系統。
第二、自動啟動狀態
氣體滅火報警控制器一般配有兩種不同類型的火災探測器??刂浦鳈C上有“自動”和“手動”轉換功能(也可在防護區外單獨設置轉換開關),當將其置于“自動”位置時,滅火系統處于自動狀態。
當只有一種探測器發出火災信號時,控制主機啟動室內聲光報警器,通知火災發生,但并不啟動滅火裝置。
當兩種探測器發出火災信號時,控制主機啟動室內、外聲光報警器,聯動關閉防護區開口,進入滅火啟動延時,達到設定的延時時間后,自動啟動滅火裝置,發出滅火指令,打開電磁閥釋放氣瓶氣體,氣瓶氣體通過啟動管路打開滅火劑容器閥釋放滅火劑,實施滅火。
如在噴放延時過程中發現不需要啟動滅火裝置,可按下防護區外或控制器上的“緊急停止”按鈕,終止滅火指令,在設定的延時時間內有效。

推薦:七氟丙烷滅火原理
第三、機械應急手動啟動
用于火災報警控制系統失效時,當自動和手動啟動均失效時,當職守人員判斷為火災時,應立即通知現場所有人員撤離現場,在確定所有人員撤離現場后,可按以下步驟實施機械應急操作:
1)手動關閉聯動設備,并切斷電源;
2)拔出相應防護區啟動瓶電磁驅動器上的“機械應急啟動保險銷”,按下機械應急啟動按鈕,電磁驅動器打開啟動瓶釋放啟動氣體,啟動氣體滅火系統。
七氟丙烷氣體滅火系統安裝完成后,雖然不需要使用單位對其有多專業的了解,但它的工作原理還是需要需要安排專門的人員進行培訓學習后才能上崗,這是對使用方的人身及財物安全的保證。
免責聲明: 本網站只負責對文章進行整理、排版、編輯,是出于傳遞信息目的,并不意味著贊同其觀點或證實其內容的真實性,如本站文章和轉稿涉及版權等問題,請作者在及時聯系本站,我們會盡快處理。本文關鍵詞:七氟丙烷|氣體滅火系統 標題:七氟丙烷氣體滅火系統工作原理圖與相關操作 地址: http://www.xynqx.com/news-gs/726.html

全國服務熱線:
13602488119 潘總






