文章摘要:(七氟丙烷滅火系統原理)七氟丙烷氣體滅火系統圖1.簡介七氟丙烷(HFC-227ea)滅火劑具有清潔、低毒、良好電絕緣性、滅火效率高、不破壞大氣臭氧層的特點,是目前為止研究開發比較成功的一種潔凈氣體滅火劑,在歐美國家已經得到普及應用,是替代鹵代烷滅火劑的潔凈氣體中的較優者。七氟丙烷...
(七氟丙烷滅火系統原理)七氟丙烷氣體滅火系統圖
1. 簡介
七氟丙烷(HFC-227ea)滅火劑具有清潔、低毒、良好電絕緣性、滅火效率高、不破壞大氣臭氧層的特點,是目前為止研究開發比較成功的一種潔凈氣體滅火劑,在歐美國家已經得到普及應用,是替代鹵代烷滅火劑的潔凈氣體中的較優者。
七氟丙烷滅火劑適用于以全淹沒滅火方式撲救電氣火災、液體火災或可熔固體火災、固體表面火災、滅火前能切斷氣源的氣體火災,能安全有效的使用在有人工作或停留的場所。七氟丙烷滅火后不留痕跡、不含導電介質的特性,在一些必要場所如計算機房、通訊機房、變配電室、精密儀器室、發電機房、油庫、化學易燃品庫房及圖書庫、資料庫、檔案庫、金庫等場所具有其他滅火劑無法替代的優越性。
柜式七氟丙烷氣體滅火裝置由滅火劑瓶組、管路、噴嘴、信號反饋部件、檢驗部件、驅動部件、柜體等組成,與火災探測器、滅火控制器組成一套自動滅火系統??芍苯臃胖糜诜雷o區內,具有可移動、方便安裝的特點。
A、不適用于撲救硝化纖維、硝酸納等氧化劑或含氧化劑的化學制品火災,鉀、鎂、鈉、鈦、鋯、鈾等活潑金屬火災,氫化鉀、氫化鈉等金屬氫化物火災,過氧化氯、聯胺等能自行分解的化學物質火災,可燃固體物質的深位火災。
B、本設備充裝的滅火劑在滅火時會分解產生一定量的氟化氫氣體,高濃度氟化氫氣體能對人員造成傷害。
2. 主要技術參數
| 型號 | 貯存容器 規格 | 容器閥 | 滅火劑 充裝量(Kg) | 外形尺寸(mm) 寬×深×高 | 貯存壓力 (20℃) | 工作壓力 | 安全泄放裝置 動作壓力 | 噴射 時間 | 啟動電壓 /電流 | 工作溫度 范圍 |
| GQQ70/2.5 | 70L | QRF50/4.2 | 77 | 530×480×1500 | 2.5MPa | 4.2MPa | 5.9MPa± 0.3MPa | ≤8s | DC24V /1.5A | -10℃ ~+50℃ |
| GQQ100/2.5 | 100L | QRF50/4.2 | 110 | 530×480×1750 | ||||||
| GQQ120/2.5 | 120L | QRF50/4.2 | 132 | 580×530×1730 | ||||||
| GQQ150/2.5 | 150L | QRF50/4.2 | 165 | 580×530×1730 |
3. 結構
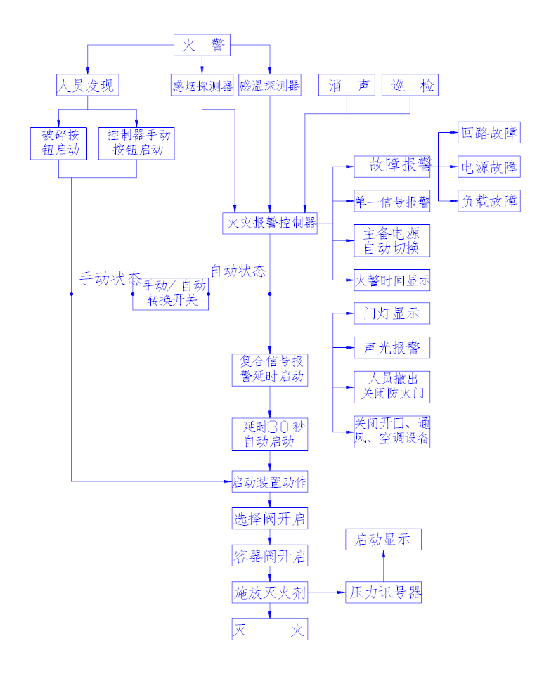
4. 控制流程圖
5. 主要部件
5.1 柜體
采用優質薄鋼板加工,拼裝結構,表面噴涂防腐處理,外觀無焊接、無螺釘,美觀大方、堅固耐用。
5.2 滅火劑瓶組
5.2.1. 用途:
用于儲存七氟丙烷滅火劑,具有封存、釋放、充裝、超壓泄放、壓力顯示等功能。
5.2.2. 結構:
由容器閥、虹吸管、儲存容器組成。儲存容器為可重復充裝的紅色環氧漆鋼質焊接容器 。 容器閥由閥體、電磁型驅動裝置、活塞、壓力顯示部件、泄壓裝置等組成,接上虹吸管后安裝在儲存容器瓶口上,可氣動、手動開啟容器閥釋放滅火劑。
5.2.3. 主要技術參數:
| 型號規格 | 貯存壓力 | 容積(L) | 容器閥型號 | 公稱通徑 (mm) | 當量長度(m) | 外徑 (mm) | 高度 (mm) | 凈重 (Kg) |
| QMP70/2.5 | 2.5MPa | 70 | QRF50/4.2 | 50 | 2.5 | 360 | 1180 | 71 |
| QMP100/2.5 | 2.5MPa | 100 | QRF50/4.2 | 50 | 2.5 | 360 | 1490 | 93 |
| QMP120/2.5 | 2.5MPa | 120 | QRF50/4.2 | 50 | 2.5 | 360 | 1700 | 110 |
| QMP150/2.5 | 2.5MPa | 150 | QRF50/4.2 | 50 | 2.5 | 411 | 1660 | 154 |
5.2.4. 使用說明:
1)先把出口彎頭緊固在容器閥的出口上,并使彎頭的出口垂直向上,然后小心把瓶組搬進柜內,可使用短鋼管作滾軸把滅火劑瓶組推進柜體內。
2)電磁鐵的兩根引線不分極性。
5.2.5. 調試
1)電磁鐵動作檢查
在試驗電磁鐵的動作性能時,應小心從容器閥上卸下電磁鐵,此時鐵芯便因失去支撐而下落,此狀態下鐵芯已是處于動作位置。因此試驗電磁鐵時,應倒置電磁鐵以使鐵芯復位,然后平放電磁鐵,再向電磁鐵里插入一個作位置參考的小棒,向電磁鐵接通不低于18V的直流電(容量不小于1.5A),鐵芯將馬上推動小棒沖出電磁鐵。使用小棒還可以測量鐵芯的行程,以檢驗閘刀能否到達并有余量刺穿膜片。
2)安全檔片
安全檔片是為了防止在運輸、安裝、調試過程中因碰撞、震動使閘刀誤動作。在完成電磁鐵的動作試驗并把電磁鐵歸位后、投入使用前,必須卸下檔片,再緊固電磁鐵的四個固定螺釘,否則容器閥將不能打開。檔片可放在柜內一邊,以便移動瓶組時重新裝上。
5.2.6. 日常維護
1)應由經過專門培訓,并經考試合格的專人負責定期檢查和維護。
2)每月進行兩次檢查,檢查內容及要求應符合下列規定:
a.對滅火劑貯存容器、電磁驅動裝置、管路與噴嘴等全部系統組件進行外觀檢查。系統組件應無碰撞變形及其他機械性損傷,表面應無銹蝕,保護涂層應完好,銘牌應清晰,手動操作裝置的防護罩、鉛封和安全標志應完整。
b.滅火劑瓶組的壓力表的指針應在表盤的綠區,低于綠區應及時補壓。
c.每五年進行一次全面檢查維修,包括強度試驗、密封性試驗、動作試驗等,更換密封件、膜片及其他易損件等。
5.2.7. 注意事項:
容器閥上裝有安全檔片是為防止運輸、安裝、調試過程中因碰撞、震動等使閘刀誤動作而設。系統投入使用前,需抽出安全檔片,否則啟動容器閥不能打開。
5.3 電磁型驅動裝置
5.3.1. 用途:
安裝驅動氣體瓶組的容器閥上,用于控制驅動氣體瓶組啟動釋放。
5.3.2. 結構;
由手動頂塊、保險銷、電磁鐵組件、頂刀、彈簧等組成,閥體材質為銅合金。
5.3.3. 主要技術參數:
| 型號規格 | 電磁元件 | 驅動力 | 擊穿裝置 |
| QDQ55 | 直流干式閥用電磁鐵MFZ1-5.5C | 55N | 刺破針 |
5.3.4. 使用說明:
1) 電磁鐵的兩根引線不分極性;
2) 安裝后應仔細逐一檢查,確保接頭緊固連接;
3) 保險銷是為防止運輸、安裝、調試過程中因碰撞、震動等使閘刀誤動作而設,設備投入使用前,需抽出保險銷,否則啟動容器閥不能打開;
4) 電磁鐵動作檢查:在試驗電磁鐵的動作性能時,應小心從容器閥上卸下電磁鐵,此時鐵芯便因失去支撐而下落,此狀態下鐵芯已是處于動作位置。因此試驗電磁鐵時,應倒置電磁鐵以使鐵芯復位,然后平放電磁鐵,再向電磁鐵里插入一個作位置參考的小棒,向電磁鐵接通不低于18V的直流電(容量不小于1.5A),鐵芯將馬上推動小棒沖出電磁鐵。使用小棒還可以測量鐵芯的行程,以檢驗閘刀能否到達并有余量刺穿膜片。
5.3.5.維護說明:
1) 每月進行外觀檢查,無碰撞變形及機械性損傷、表面無銹蝕方可繼續使用;
2) 每年進行電磁鐵動作試驗,合格方可繼續使用。
5.4 信號反饋裝置
5.4.1. 用途:
安裝于通向防護區管網的主管路上,用于滅火劑釋放后將信號反饋至滅火控制器,再由滅火控制器點亮噴放門燈及發出聯動信號。
5.4.2. 結構:
由底座、外殼、鎖帽、信號引線、活塞、微動開關等組成。外殼及活塞的材質為銅合金。
5.4.3. 主要技術參數:
| 型號 | 公稱工作壓力 | 動作壓力 | 微動開關工作電壓/觸點容量 |
| QXF0.8/4.2 | 4.2MPa | 0.8±0.08MPa | 0.5A/AC250V |
5.4.4. 使用說明:
信號為無源觸點,引線不分極性。
5.4.5 維護說明:
1)每月進行外觀檢查,無碰撞變形及機械性損傷、表面無銹蝕等異常方可繼續使用。
2)每年應全面檢查一次,無異常方可繼續使用。
5.4.6. 注意事項:
動作后應卸下鎖帽和外殼,壓下活塞、復位微動開關后方可繼續使用。
5.5 噴嘴
5.5.1. 用途:
安裝于滅火劑輸送管道的末端,用于均勻霧化噴灑滅火劑。
5.5.2. 結構:
結構已優化設計,能將滅火劑充分霧化均勻噴灑,材質為銅合金。
5.5.3. 主要技術參數
| 型號規格 | 噴嘴代號 | 等效單孔直徑 | 結構尺寸 | 進口公稱通徑 |
| QPTL40/40 | 40 | 31.75mm | 螺旋570 mm x 5.5mm | 40mm |
5.5.4. 使用說明:
1)安裝時應按設計要求逐個核對其型號、規格,安裝在吊頂下時其裝飾罩應緊貼吊頂。
2)安裝使用高度:6.5m;安全使用高度:0.3m。
5.5.5. 維護說明:
每年檢查各噴嘴孔口,確保無堵塞。
6. 安裝、調試
6.1 安裝
6.1.1 準備工作
安裝前應先確定滅火裝置的放置方位,原則是應方便安裝、維護,必要時應校核地板的荷載。
6.1.2 安裝柜體
注意要把電氣控制線經柜體下部或上部的小孔穿入柜體,并應使用防護套管以免損傷絕緣導線。柜體內底板的四角均設有調整螺栓,用于調整柜體水平穩固地放置于地板上。
6.1.3 滅火劑瓶組安裝
先把出口彎頭緊固在容器閥的出口上,并使彎頭的出口垂直向上。然后小心把滅火劑瓶組搬進柜內,可使用短鋼管作滾軸把滅火劑瓶組推進柜體內,注意不要損壞柜體下方的鋁合金型材。
6.1.4 管路安裝
管路及管件的連接均在出廠前安裝過,如圖所示安裝即可,注意使管路的出口對準柜體面板的噴嘴開孔。
6.1.5 噴嘴安裝
從柜體前穿過面板對準管路出口裝上噴嘴,可用一個螺絲刀插入噴嘴的小孔來緊固噴嘴。
6.1.6 滅火劑瓶組固定
柜體內中部的薄鋼條是用來固定儲存鋼瓶卡在柜體上的。
6.2 調試
6.2.1 電磁鐵動作檢查
在試驗電磁鐵的動作性能時,應小心從容器閥上卸下電磁鐵,此時鐵芯便因失去支撐而下落,此狀態下鐵芯已是處于動作位置。因此試驗電磁鐵時,應倒置電磁鐵以使鐵芯復位,然后平放電磁鐵,再向電磁鐵里插入一個作位置參考的小棒,向電磁鐵接通不低于18V的直流電(容量不小于1.5A),鐵芯將馬上推動小棒沖出電磁鐵。使用小棒還可以測量鐵芯的行程,以檢驗閘刀能否到達并有余量刺穿膜片。
6.2.2 安全檔片
安全檔片是為了防止在運輸、安裝、調試過程中因碰撞、震動使閘刀誤動作。在完成電磁鐵的動作試驗并把電磁鐵歸位后、投入使用前,必須卸下檔片,再緊固電磁鐵的四個固定螺釘,否則容器閥將不能打開。檔片可放在柜內一邊,以便移動瓶組時重新裝上。
6.2.4 噴放反饋信號試驗
信號反饋裝置的兩條引線不分極性,短接即可模擬噴放反饋信號。
7. 維護
7.1 日常維護
7.1.1氣體滅火系統應由經過專門培訓,并經考試合格的專人負責定期檢查和維護。
7.1.2每月應對氣體滅火系統進行兩次檢查,檢查內容及要求應符合下列規定:
1) 對滅火劑貯存容器、電磁驅動裝置、管路與噴嘴等全部系統組件進行外觀檢查。系統組件應無碰撞變形及其他機械性損傷,表面應無銹蝕,保護涂層應完好,銘牌應清晰, 手動操作裝置的防護罩、鉛封和安全標志應完整。
2) 滅火劑瓶組的壓力表的指針應在表盤的綠區,低于綠區應及時補壓或通知本公司。
7.2 年度維護:每年應對氣體滅火系統進行兩次全面檢查,檢查內容和要求除按月檢規定的檢查外,尚應符合下列規定:
1)防護區的開口情況、防護區的用途及可燃物的種類、數量、分布情況,應符合設計規定。
2)滅火劑瓶組柜內的設備、管路和支、吊架的固定情況,應無松動。
3)各噴嘴孔口,應無堵塞。
4)進行一次模擬自動啟動試驗,如有不合格項目,則應重新進行調試。
7.3全面維護:每五年對系統和滅火劑瓶組、閥件、管道進行一次全面檢查維修,包括強度試驗、密封性試驗、動作試驗等,更換密封件、膜片及其他易損件等。
7.4 滅火劑灌裝方法
7.4.1 將電磁型驅動裝置卸下,換裝凸輪組件(另配);把瓶組移到磅秤上,記錄凈重數值,計算瓶組凈重加上需灌裝滅火劑重量的數值作毛重并記錄;
7.4.2 用專用連接管連瓶組容器閥和滅火劑儲罐、氮氣瓶,檢查各連接部位、安全帶已緊固;
7.4.3 套上手柄扳下凸輪撥桿,打開容器閥,重新調整磅秤至平衡,再調整磅秤到該讀數加上需灌裝滅火劑重量的數值上;
7.4.4緩緩打開滅火劑儲罐的出口閥門,密切監視瓶組容器閥、儲罐出口閥門及連接管,如發現異常應立即關閉儲罐出口閥門,停止灌裝作業并將瓶組卸到隔離區待處理;
7.4.5 當磅秤重新到達平衡時,關閉滅火劑儲罐的出口閥門;
7.4.6 調整磅秤至平衡,瓶組毛重應不小于7.1所記錄毛重數據,否則應重復7.4.2~7.4.5。
7.4.7 從磅秤上移下瓶組,卸下凸輪組件換裝電磁型驅動裝置,移動瓶組至已灌裝瓶組堆放區,并做好成品保護。
8. 售后服務
8.1 質保期內服務
驗收合格后一年內,我公司免費對設備、系統出現的各種質量缺陷、故障(非使用單位工作人員操作所致,包括出現漏氣及誤動作后的充氣)予以修復、更換,并免費協助解決有關技術問題、協助使用單位對本系統的運營管理和維護以及操作人員、維護人員的技術培訓等。
8.2質保期滿后服務
我公司在產品質保期滿后可提供一定范圍內的有償維修保養服務,具體內容需視實際情況而定。
免責聲明: 本網站只負責對文章進行整理、排版、編輯,是出于傳遞信息目的,并不意味著贊同其觀點或證實其內容的真實性,如本站文章和轉稿涉及版權等問題,請作者在及時聯系本站,我們會盡快處理。本文關鍵詞:七氟丙烷|滅火系統 標題:(七氟丙烷滅火系統原理)七氟丙烷氣體滅火系統圖 地址: http://www.xynqx.com/news-gs/787.html

全國服務熱線:
13602488119 潘總






